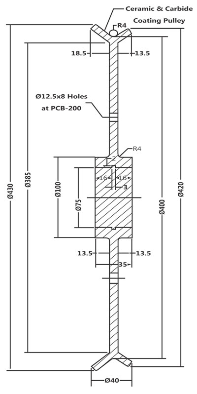
Thermal Spray Coated Pulleys Ajex & Turner offers metal pulleys, capstans, thermal spray coated with Alumina, Chromium oxide, Tungsten Carbide Cobalt (WC 12Co) Thermal spray coated pulleys are made to order items, which call for unambiguous dimensional drawings to fabricate form


| Alumina | 750~1,000 HV (HRC 62 ~ 69) |
| Chromium Oxide | 1,000~1,800 HV (HRC 70 ~ 80) |
| Tungsten Carbide Cobalt (WC 12Co) | 750~1,450 HV (HRC 65 ~ 75) |
SUCCESSFUL SHOW AT WIRE SOUTHEAST ASIA HELD IN BANGKOK
SUCCESSFUL SHOW AT WIRE SOUTHEAST ASIA HELD IN Mumbai Exhibitions 2018